| État de disponibilité: | |
|---|---|
| Quantité: | |

Ce produit est le composant d'entraînement principal des systèmes de convoyeurs à rouleaux motorisés. Il s'agit d'un module fonctionnel qui intègre un pignon en acier à l'extrémité de l'arbre d'un rouleau de convoyeur de manière à haute résistance et haute précision. Sa fonction principale est de convertir de manière efficace et fiable la puissance transmise par la chaîne d'entraînement en mouvement de rotation du rouleau, entraînant ainsi la bande transporteuse ou propulsant directement les matériaux.

Grâce à l'utilisation d'un processus de soudage de pignons et de tubes en acier, les rouleaux peuvent désormais transmettre plus de couple et transporter des palettes avec des charges lourdes. Un roulement à billes de précision peut supporter plus de poids qu'un roulement en polymère car il est solidement et solidement fixé par impact dans un boîtier en acier.
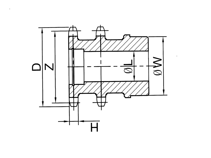
| diamètre de sortie du tube | épaisseur du tube | diamètre de l'arbre | modèle de pignon | matériel | traitement de surface |
| Φ38 | 1,2/1,5/2,0 | Φ12/Φ15 | 06B/08B | Acier #45, SS304 | durcissement, oxydation |
| Φ50 | 1,2/1,5/2,0 | Φ12/Φ15 | 06B/08B | Acier #45, SS304 | durcissement, oxydation |
| Φ60 | 1,5/2,0/2,5/3,0 | Φ12/Φ15/Φ20 | 08B | Acier #45, SS304 | durcissement, oxydation |
| Φ76 | 2,0/2,5/3,0/3,5 | Φ12/Φ15/Φ20/Φ25 | 08B/10A | Acier #45, SS304 | durcissement, oxydation |
| Φ89 | 3,0/3,5/4,0 | Φ12/Φ15/Φ20/Φ25 | 10A | Acier #45, SS304 | durcissement, oxydation |
Remarques : un ensemble de pignons à une ou deux rangées est disponible.
Cet ensemble est une unité de connexion standardisée ou personnalisée spécialement conçue pour les applications de convoyage industriel. Sa structure typique comprend :
Pignon en acier : le composant caractéristique principal de l'assemblage. Il est généralement fabriqué à partir d'acier au carbone ou d'acier allié de haute qualité (par exemple, acier 45#, 40Cr) par forgeage et usinage. Le profil de la dent est calculé avec précision (par exemple, conforme aux normes ANSI ou ISO) et subit un traitement thermique (trempe et revenu), conférant à la surface de la dent une dureté élevée (HRC 40-55) et une excellente résistance à l'usure et aux chocs.
Extrémité de connexion du rouleau : En fonction de la conception de l'extrémité de l'arbre du rouleau, les principales méthodes de connexion comprennent :
Connexion clé : la méthode la plus traditionnelle et la plus fiable. Une rainure de clavette est usinée dans le moyeu du pignon et le couple est transmis via une clavette parallèle ou une clavette Woodruff s'engageant dans une rainure de clavette correspondante sur l'arbre du rouleau. Des vis de réglage sont souvent utilisées pour une fixation axiale supplémentaire.
Connexion Taper-Lock (Bushing) : Une méthode de connexion plus moderne et sans clé. Le moyeu du pignon a un alésage conique qui correspond à une bague élastique à double cône. Le serrage de boulons à haute résistance provoque l'expansion radiale de la bague, créant ainsi une immense friction statique entre le moyeu du pignon et l'arbre du rouleau. Cela permet d'obtenir une connexion à couple élevé, à haute concentricité et sans jeu et peut compenser les tolérances d'usinage mineures.
Connexion par bride : Pour les applications intensives, le pignon peut être boulonné directement sur une bride d'entraînement soudée à la face d'extrémité du rouleau.
Conception intégrée : dans certaines conceptions, le pignon est intégré au boîtier de roulement, à la structure d'étanchéité ou même à un capuchon d'extrémité de rouleau complet, formant un « ensemble d'extrémité d'entraînement » plus facile à installer et à entretenir.

Transmission de puissance efficace : le pignon en acier s'engrène étroitement avec la chaîne d'entraînement (par exemple, chaîne à rouleaux), garantissant une efficacité de transmission élevée et une perte d'énergie minimale.
Capacité de charge élevée et fiabilité : le matériau en acier et le processus de traitement thermique garantissent que l'assemblage peut résister aux charges de choc et aux charges alternées continues causées par les cycles marche-arrêt du système et les variations de charge. Sa fiabilité est de loin supérieure à celle des pignons en plastique ou en fonte.
Synchronisation précise : un usinage précis du profil des dents et des méthodes de connexion robustes garantissent la synchronisation entre plusieurs rouleaux, ce qui est crucial pour éviter un mauvais alignement des matériaux et assurer le bon fonctionnement de la ligne de convoyeur.
Forte adaptabilité environnementale : les composants en acier sont généralement soumis à des traitements anticorrosion (galvanisation, noircissement, peinture), leur permettant de résister aux facteurs environnementaux courants en usine tels que la poussière, l'humidité et les conditions légèrement corrosives.
Longue durée de vie et entretien facile : une excellente résistance à l'usure prolonge considérablement le cycle de remplacement. La conception modulaire permet de remplacer uniquement le pignon lui-même lorsqu'il est usé, sans qu'il soit nécessaire de remplacer l'ensemble du rouleau.
Cet ensemble est un composant fondamental dans tous les équipements de transport utilisant un entraînement par chaîne et est largement utilisé dans :
Convoyeurs à rouleaux motorisés : pour le transport de palettes, de conteneurs et de colis lourds.
Convoyeurs à lattes/chaîne supérieure : comme ensemble de pignons sur l'extrémité de l'arbre d'entraînement.
Systèmes de convoyeurs aériens à chaîne : comme ensemble de pignon d'entraînement pour la chaîne.
Dispositifs de transport de machines agricoles et de construction : tels que les mécanismes de transport internes des moissonneuses et des excavatrices.
Lignes de conditionnement et de tri : sections nécessitant des entraînements stables, fiables et à vitesse réglable.

Transmission de puissance fiable : le matériau en acier et les processus de renforcement garantissent une fiabilité absolue dans la transmission de puissance.
Forte capacité de charge : convient pour un fonctionnement industriel continu moyen à intensif.
Synchronisation précise : garantit une action synchronisée de plusieurs points d'entraînement sur la ligne de convoyeur.
Durabilité longue durée : la conception hautement résistante à l’usure réduit les coûts de maintenance tout au long du cycle de vie.
Compatibilité flexible : peut être sélectionné et personnalisé de manière flexible en fonction du diamètre de l'arbre du rouleau, de la taille de la chaîne (par exemple, 08B, 10A, 12A) et du nombre de dents.
Lors de la sélection, il doit être adapté au rouleau du convoyeur et au système d'entraînement. Les paramètres clés comprennent :
Paramètres du pignon : taille de la chaîne (détermine le pas), nombre de dents (affecte le rapport de vitesse et la douceur du maillage), modèle (simple brin/double brin/robuste).
Paramètres de connexion : diamètre d'alésage (doit correspondre au diamètre de l'arbre du rouleau), dimensions de la rainure de clavette ou spécifications de la bague.
Paramètres de performance : couple admissible, plage de vitesse applicable.
Exigences d'installation : assurez-vous d'un bon alignement entre le pignon et l'arbre du rouleau. Serrez toutes les fixations (clé, boulons de douille, vis de réglage) au couple spécifié. Assurez-vous que les dents du pignon et la chaîne d'entraînement sont dans le même plan pour éviter une « remontée de la chaîne » ou une usure anormale.
En résumé, l'ensemble pignon en acier à rouleaux de convoyeur est le « joint de puissance » du domaine du transport industriel. Il représente une intégration technique d'un pignon de transmission standard avec un arbre à rouleaux. Avec ses caractéristiques robustes, durables et fiables, il s’agit d’un composant mécanique clé indispensable qui assure le fonctionnement continu et efficace des différentes lignes de production et de logistique.

Ce produit est le composant d'entraînement principal des systèmes de convoyeurs à rouleaux motorisés. Il s'agit d'un module fonctionnel qui intègre un pignon en acier à l'extrémité de l'arbre d'un rouleau de convoyeur de manière à haute résistance et haute précision. Sa fonction principale est de convertir de manière efficace et fiable la puissance transmise par la chaîne d'entraînement en mouvement de rotation du rouleau, entraînant ainsi la bande transporteuse ou propulsant directement les matériaux.

Grâce à l'utilisation d'un processus de soudage de pignons et de tubes en acier, les rouleaux peuvent désormais transmettre plus de couple et transporter des palettes avec des charges lourdes. Un roulement à billes de précision peut supporter plus de poids qu'un roulement en polymère car il est solidement et solidement fixé par impact dans un boîtier en acier.
| diamètre de sortie du tube | épaisseur du tube | diamètre de l'arbre | modèle de pignon | matériel | traitement de surface |
| Φ38 | 1,2/1,5/2,0 | Φ12/Φ15 | 06B/08B | Acier #45, SS304 | durcissement, oxydation |
| Φ50 | 1,2/1,5/2,0 | Φ12/Φ15 | 06B/08B | Acier #45, SS304 | durcissement, oxydation |
| Φ60 | 1,5/2,0/2,5/3,0 | Φ12/Φ15/Φ20 | 08B | Acier #45, SS304 | durcissement, oxydation |
| Φ76 | 2,0/2,5/3,0/3,5 | Φ12/Φ15/Φ20/Φ25 | 08B/10A | Acier #45, SS304 | durcissement, oxydation |
| Φ89 | 3,0/3,5/4,0 | Φ12/Φ15/Φ20/Φ25 | 10A | Acier #45, SS304 | durcissement, oxydation |
Remarques : un ensemble de pignons à une ou deux rangées est disponible.
Cet ensemble est une unité de connexion standardisée ou personnalisée spécialement conçue pour les applications de convoyage industriel. Sa structure typique comprend :
Pignon en acier : le composant caractéristique principal de l'assemblage. Il est généralement fabriqué à partir d'acier au carbone ou d'acier allié de haute qualité (par exemple, acier 45#, 40Cr) par forgeage et usinage. Le profil de la dent est calculé avec précision (par exemple, conforme aux normes ANSI ou ISO) et subit un traitement thermique (trempe et revenu), conférant à la surface de la dent une dureté élevée (HRC 40-55) et une excellente résistance à l'usure et aux chocs.
Extrémité de connexion du rouleau : En fonction de la conception de l'extrémité de l'arbre du rouleau, les principales méthodes de connexion comprennent :
Connexion clé : la méthode la plus traditionnelle et la plus fiable. Une rainure de clavette est usinée dans le moyeu du pignon et le couple est transmis via une clavette parallèle ou une clavette Woodruff s'engageant dans une rainure de clavette correspondante sur l'arbre du rouleau. Des vis de réglage sont souvent utilisées pour une fixation axiale supplémentaire.
Connexion Taper-Lock (Bushing) : Une méthode de connexion plus moderne et sans clé. Le moyeu du pignon a un alésage conique qui correspond à une bague élastique à double cône. Le serrage de boulons à haute résistance provoque l'expansion radiale de la bague, créant ainsi une immense friction statique entre le moyeu du pignon et l'arbre du rouleau. Cela permet d'obtenir une connexion à couple élevé, à haute concentricité et sans jeu et peut compenser les tolérances d'usinage mineures.
Connexion par bride : Pour les applications intensives, le pignon peut être boulonné directement sur une bride d'entraînement soudée à la face d'extrémité du rouleau.
Conception intégrée : dans certaines conceptions, le pignon est intégré au boîtier de roulement, à la structure d'étanchéité ou même à un capuchon d'extrémité de rouleau complet, formant un « ensemble d'extrémité d'entraînement » plus facile à installer et à entretenir.

Transmission de puissance efficace : le pignon en acier s'engrène étroitement avec la chaîne d'entraînement (par exemple, chaîne à rouleaux), garantissant une efficacité de transmission élevée et une perte d'énergie minimale.
Capacité de charge élevée et fiabilité : le matériau en acier et le processus de traitement thermique garantissent que l'assemblage peut résister aux charges de choc et aux charges alternées continues causées par les cycles marche-arrêt du système et les variations de charge. Sa fiabilité est de loin supérieure à celle des pignons en plastique ou en fonte.
Synchronisation précise : un usinage précis du profil des dents et des méthodes de connexion robustes garantissent la synchronisation entre plusieurs rouleaux, ce qui est crucial pour éviter un mauvais alignement des matériaux et assurer le bon fonctionnement de la ligne de convoyeur.
Forte adaptabilité environnementale : les composants en acier sont généralement soumis à des traitements anticorrosion (galvanisation, noircissement, peinture), leur permettant de résister aux facteurs environnementaux courants en usine tels que la poussière, l'humidité et les conditions légèrement corrosives.
Longue durée de vie et entretien facile : une excellente résistance à l'usure prolonge considérablement le cycle de remplacement. La conception modulaire permet de remplacer uniquement le pignon lui-même lorsqu'il est usé, sans qu'il soit nécessaire de remplacer l'ensemble du rouleau.
Cet ensemble est un composant fondamental dans tous les équipements de transport utilisant un entraînement par chaîne et est largement utilisé dans :
Convoyeurs à rouleaux motorisés : pour le transport de palettes, de conteneurs et de colis lourds.
Convoyeurs à lattes/chaîne supérieure : comme ensemble de pignons sur l'extrémité de l'arbre d'entraînement.
Systèmes de convoyeurs aériens à chaîne : comme ensemble de pignon d'entraînement pour la chaîne.
Dispositifs de transport de machines agricoles et de construction : tels que les mécanismes de transport internes des moissonneuses et des excavatrices.
Lignes de conditionnement et de tri : sections nécessitant des entraînements stables, fiables et à vitesse réglable.

Transmission de puissance fiable : le matériau en acier et les processus de renforcement garantissent une fiabilité absolue dans la transmission de puissance.
Forte capacité de charge : convient pour un fonctionnement industriel continu moyen à intensif.
Synchronisation précise : garantit une action synchronisée de plusieurs points d'entraînement sur la ligne de convoyeur.
Durabilité longue durée : la conception hautement résistante à l’usure réduit les coûts de maintenance tout au long du cycle de vie.
Compatibilité flexible : peut être sélectionné et personnalisé de manière flexible en fonction du diamètre de l'arbre du rouleau, de la taille de la chaîne (par exemple, 08B, 10A, 12A) et du nombre de dents.
Lors de la sélection, il doit être adapté au rouleau du convoyeur et au système d'entraînement. Les paramètres clés comprennent :
Paramètres du pignon : taille de la chaîne (détermine le pas), nombre de dents (affecte le rapport de vitesse et la douceur du maillage), modèle (simple brin/double brin/robuste).
Paramètres de connexion : diamètre d'alésage (doit correspondre au diamètre de l'arbre du rouleau), dimensions de la rainure de clavette ou spécifications de la bague.
Paramètres de performance : couple admissible, plage de vitesse applicable.
Exigences d'installation : assurez-vous d'un bon alignement entre le pignon et l'arbre du rouleau. Serrez toutes les fixations (clé, boulons de douille, vis de réglage) au couple spécifié. Assurez-vous que les dents du pignon et la chaîne d'entraînement sont dans le même plan pour éviter une « remontée de la chaîne » ou une usure anormale.
En résumé, l'ensemble pignon en acier à rouleaux de convoyeur est le « joint de puissance » du domaine du transport industriel. Il représente une intégration technique d'un pignon de transmission standard avec un arbre à rouleaux. Avec ses caractéristiques robustes, durables et fiables, il s’agit d’un composant mécanique clé indispensable qui assure le fonctionnement continu et efficace des différentes lignes de production et de logistique.